
全國服務熱線



19926637039
SM-S型拉線位移傳感器,又稱拉繩編碼器,拉繩尺,拉線尺,拉線編碼器,拉繩位移傳感器,是直線位移傳感器在結構上的精巧集成,充分結合了角度傳感器和直線位移傳感器的優點,成為一款結構緊湊、測量行程長、安裝空間尺寸小、具有高精度測量的優良傳感器。SM型拉線位移傳感器具有很大的選擇空間,行程從200mm至20000mm不等, 具有模擬電流信號mA:4-20mA,模擬電壓信號V1:0-5V,V2:0-10V,脈沖信號P:A、B、Z相數字輸出,數字信號RS485。滿足大行程、高精度各種信號需求。
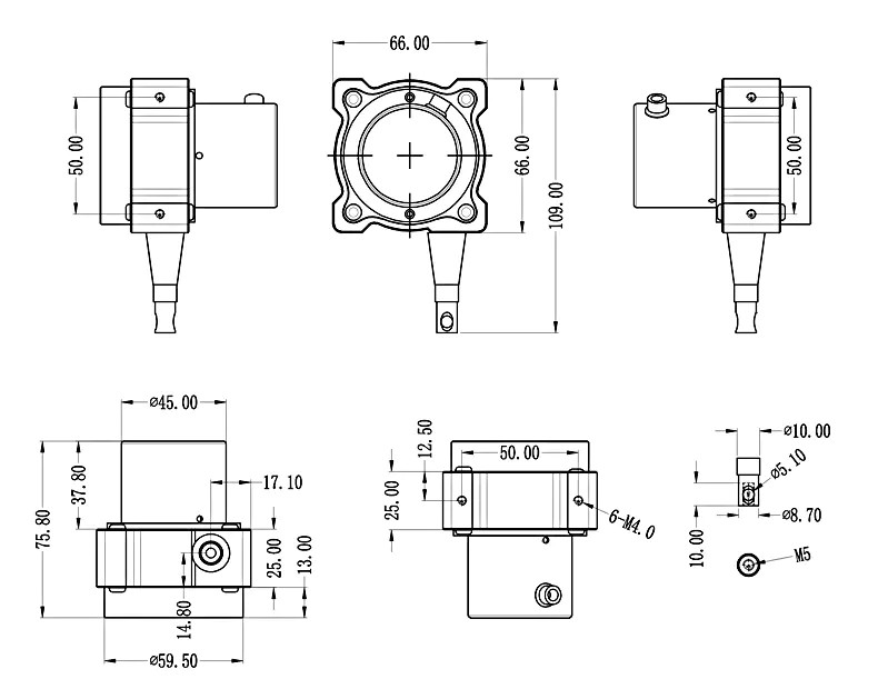
SM-S型拉繩位移傳感器的接線方式與安裝尺寸(底面螺絲安裝式)、其他證書:



SM-S型拉線位移傳感器選型指導:

SM-S型拉線位移傳感器的輸出類型:
電阻輸出型(電位器):5kΩ,10KΩ,
電壓輸出型:V1:0-5V,V2:0-10V,
電流輸出型:4-20MA (二線制,三線制),
脈沖輸出型:P:A B Z相,
數字信號(外置/內置):RS485,
SM型拉線位移傳感器的安裝注意事項:
1,利用底部4個固定螺絲孔,依現場及機器安裝空間設施需要,直接安裝或另加保護或其他機械使用。
2,不銹鋼索安裝時,須注意水平角度,亦即盡量使鋼索由出線口至移動部位之機構,于工作時水平滑動。
3,保持較小角度(容許偏差+/-3°)以確保量測精度及鋼索之壽命。
鋼索本體是不銹鋼加涂氟層,請勿讓其受外力的割傷﹑燒損﹑撞擊等不當之事發生:過量的粉塵﹑積屑或是足以破壞鋼索的物品貯留于內部的滑輪或出線口將造成鋼索破損,導致運轉不順的故障。
4,未安裝于工作臺或固定坐前,請勿用手或是其它產品將鋼索拉出并讓其瞬間自行彈回.此舉將造成鋼索斷裂,傷害本體結構及人身安全。
5,SM-S和SM-M系列產品的往復運動的瞬間加速不可超過1米/秒;SM-L和SM-L-P系列產品的往復運動的瞬間加速不可超過0.5米/秒;此舉將造成鋼索斷裂,恕本公司不承擔此范圍以外的責任。
6,若使用于非直線運動的機構,請加裝適當的滑輪運轉。
7,若使用于環境惡劣或特殊場合,請自行加裝保護機構。
應用產品類別:
倉儲位置定位,水庫大壩保護,閘門開度控制,壓力機械,造紙機械,紡織機械,金屬板材機械,包裝機械,印刷機械,水平控制儀,建筑機械,工業機器人,射出機,木工機械,電梯,空氣壓縮機/油壓機,高度機,X-Y軸及其它長度位移,液位等相關尺寸量測和位置控制。



